ENGCurrency:
3674.16 zł
4519.22 zł
The BiBox 270-I58 Panel Computer is a technologically advanced industrial panel computer designed for uncompromising operation in the harshest conditions. Its robust construction and seals guarantee protection against the ingress of dust, water, and other contaminants. Designed to operate reliably in the harshest industrial environments: extreme temperatures, humidity, dust, and contact with water. Thanks to the use of industrial components, the BiBox 270-I58 maintains full computing power and operational stability even under continuous, intensive use. It ensures maximum efficiency and operational stability regardless of the environment. As a result, it is an ideal solution for monitoring and controlling processes in factories, warehouses, and production lines.

Advanced, world-class certification underpins the reliability of the BiBox 270-I58 panel, confirming its readiness for use in any company. The device has successfully passed the necessary tests and holds key certifications: CE, FCC, and RoHS. This demonstrates full compliance with global legal and technical requirements. The CE certification certifies its safety and compliance with European Union directives, while the FCC guarantees that the device does not generate electromagnetic interference, which is crucial for system stability. Furthermore, the RoHS marking confirms that the components are free of harmful substances, protecting the environment. This comprehensive certification guarantees the manufacturer that the product meets rigorous quality and environmental standards, offering users not only performance but also complete operational safety.
| BiBox 270-I58 v.7 | ||
|---|---|---|
|
Certifications |
CE | FCC | RoHS | |
| Network | 1×Realtek RTL 8111E Gigabit Ethernet controller | |
| Processor | Intel core i5-8250U Fanless | |
| Graphics | CPU Integrated graphics HD Graphics and support 1080p HD photo quality | |
| Operating system |
Windows 11 PRO |
|
| Memory | 16GB RAM + 512GB SSD | |
| Display | 27" (1920x1080) | |
| Touch screen | Capacitive | |
| Viewangle |
89°/89°/89°/89° (R/L/U/D) |
|
| Protection | IP65 (front panel) | |
| Communication |
WiFi (standard) | BT 2x Mini-PCIE expansion slot |
|
| Connectors |
USBx4 | HDMIx1 | VGAx0 | LANx2 EARx1 | RS232x2 | MICx1 | AC110-240V |
|
The BiBox 270-I58 rugged industrial tablet is powered by an Intel Core i5-8250U processor, specifically designed for uncompromising performance and stability in industrial environments. Equipped with four cores and eight threads, it guarantees high multitasking performance, eliminating the risk of slowdowns. Furthermore, the processor's large cache allows for quick access to frequently used data, ensuring smooth operation of even the most demanding industrial applications.
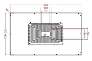
The BiBox 270-I58 Panel Computer System features a robust design measuring 653 x 391.2 x 52 mm. This profile is designed to fit perfectly into control cabinets and maximize the use of limited industrial spaces. The unit is shipped in multipacks, with one box containing two panel PCs, and the total gross weight of the package is approximately 23 kg. Included accessories for these two units include essential components for immediate startup: power adapters and Wi-Fi antennas.
| Dimensions | 653 x 391.2 x 52 mm |



A capacitive screen detects touch through a subtle change in the electrostatic field generated by contact with a finger or a special stylus. Unlike older resistive technology, this requires no physical pressure, making operation exceptionally precise and fluid, responding to the lightest touches. A key advantage of this technology is also support for multitouch, allowing simultaneous recognition of multiple touch points. This enables advanced gestures (e.g., zooming, rotating) crucial for modern industrial interfaces.

The Aluminum Bezel Style frames the screen with aluminum, giving the device a premium look and enhancing durability. Being more durable and rigid than plastic, aluminum provides better protection against damage and dissipates heat more efficiently, maintaining a slim profile.
*At the customer's request, it is possible to order the BiBox 270-I58 device in the Aluminum Bezel Style version. Click on the configurator at the top of the page to go to the product settings.


The screen, boasting an impressive 1000 nits (or 1000 cd/m²) of brightness, ensures excellent readability and comfortable operation, even in direct, full sunlight. This high luminance is crucial for outdoor applications, eliminating reflection issues and ensuring uninterrupted operator operation regardless of lighting conditions.

The IP65 standard means that the device's housing provides complete protection against dust ingress. It is also resistant to water jets from any direction. This makes it an ideal solution for use in harsh environments where the equipment is exposed to external factors but not immersed in water.
|
Firts digit Protection level Second digit |
||
|---|---|---|
| No special protection | ![]() |
No special protection |
| Protection from solid objects greater than 50mm in diameter | ![]() |
Protection from dripping water |
| Protection from object not greater than 12mm in diameter | ![]() |
Protection from vertically dripping water (tilted up to 15°) |
| Protection from object not greater than 2,5mm in diameter | ![]() |
Protection from sprayed water (tilted up to 60°) |
| Protection from object not greater than 1mm in diameter | ![]() |
Protection from splashed water |
| Complete protection against contact, Protection against dust deposit | ![]() |
Protection from water projected from a nozzle |
| Complete protectionm against contact, protection from infiltration of dust | ![]() |
Protection against heavy seas, or powerful jets of water |
| |
![]() |
Protection against immersion |
| |
![]() |
Protection against complete, continuous submersion in water |
Built for professionals, the BiBox 270-I58 tablet is ready for the harshest environments. Its rugged design allows for reliable operation in a wide temperature range from -10°C to 60°C, as well as in environments with high relative humidity up to 95% (non-condensing). This thermal durability also extends to storage, which is safe in temperatures from -20°C to 70°C, providing flexibility in logistics and warehousing.
| Working Temp. | -10°C do 60°C |
| Storage Temp. | -20°C do 70°C |
| Humidity | 5% do 95% |

The modern BiBox 270-I58 industrial tablet is equipped with two Mini-PCIe expansion slots, a universal port for installing additional modules. You can install things like a WIFI card for wireless internet connection, a 3G/4G module for cellular connectivity, or an mSATA drive for memory expansion. This feature allows the device to be easily customized to meet specific needs and applications.
For versatile integration into industrial environments, the BiBox 270-I58 is equipped with a comprehensive set of interfaces. This modern unit provides maximum functionality with a variety of connections, including four USB ports, an HDMI output for image transmission, and two LAN ports for reliable network communication. Two RS-232 serial ports are crucial for automation systems. Furthermore, the device offers full audio support with a separate microphone input (MICx1) and headphone output (EARx1).
The exceptional versatility of the BiBox 270-I58 Panel PC makes it suitable for use in industry and commerce. It's ideal for centralized system control, efficient display of detailed information (e.g., production line status, product data), and dynamic content presentation. The panel is ideal as a checkout terminal, factory control point, or component of a fleet management system, ensuring reliability in any operational network.

The BiBox 270-I58 is a specialized panel PC designed for the harshest operating conditions. Its rugged, IP65-rated housing provides complete resistance to dust and powerful water jets. This is an ideal solution for environments susceptible to damage from traditional equipment, including construction sites, logistics centers, and production lines. Ensure durability and reliability while eliminating the risk of costly equipment failures.
Designed to accelerate warehouse operations, this panel computer offers centralized control and easy device management thanks to RS-232, HDMI, and USB interfaces. Its durability and resistance to dust and dirt make it an ideal and reliable solution, ensuring stable operation even in the most polluted industrial environments.

The durable BiBox 270-I58 Panel PC is designed for intensive use and is available in several ready-made configurations. To view detailed specifications and navigate to the product, click on the model number in the table below. We also provide custom configurations upon request.
| v.1 | v.2 | v.3 | v.4 | v.5 | v.6 | v.7 | v.8 | |
|---|---|---|---|---|---|---|---|---|
| Windows 11 PRO | — | ✔ | — | — | ✔ | ✔ | ✔ | ✔ |
| 1000 NIT | — | — | — | ✔ | — | ✔ | — | ✔ |
| 8GB + 128GB | ✔ | ✔ | — | — | — | — | — | — |
| 8GB + 256GB | — | — | ✔ | ✔ | ✔ | ✔ | — | — |
| 16GB + 512GB | — | — | — | — | — | — | ✔ | ✔ |
| 4G | — | — | — | — | — | ✔ | — | — |
| WiFi 6 | — | — | — | — | — | ✔ | — | — |
3263.88 zł
3408.01 zł
3742.77 zł
3812.51 zł
3845.05 zł
4082.17 zł
4449.48 zł
4519.22 zł
2937.06 zł
3612.58 zł
3477.60 zł
4277.45 zł
5397.84 zł
6639.34 zł
365.33 zł
449.36 zł
374.11 zł
460.16 zł
427.14 zł
525.38 zł
427.14 zł
525.38 zł
430.92 zł
530.03 zł
434.70 zł
534.68 zł
438.98 zł
539.95 zł
442.26 zł
543.98 zł
468.72 zł
576.53 zł
498.47 zł
613.12 zł
502.42 zł
617.98 zł
525.42 zł
646.27 zł